| HOME |
| 2012/11/11 |
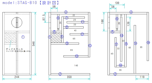
| model:STAG-B10 10cm用ブックシェルフ型スタガード・バックロードホーン |
| 【使用ユニット】Fostex FF105WK、他10cmフルレンジ(奥行き73mm以上のものは不可) 【材料】 15mm厚ラワン合板1820×910、2枚(2本分) 7mm厚ラワン合板1820×910、1枚(2本分) SPターミナル、配線コード、ボンド、クギ等 【本体サイズ】244×540×350mm |
|
|
| ■設計図 ■板取り図 |
|
|
10cmフルレンジ用スタガード・バックロードのブックシェルフタイプ。 ホーン長は、ショート=約185cm、ロング=230cm 音的にはSTAG-T10と同等の設計です。 |
| 【内部構造】 |
![]() |
| 中央仕切り板(図面参照)は7mm厚で設計してますが、12mmまでならOKです。 12mmを使うと空気室が5.6%ほど大きくなりますが許容範囲と思います。 気になるようなら、木片などで空気室内容積を調整してください。 尚、7mm以外だと全体幅が変わるので、フロントバッフルの幅も変更が必要です。 それ以外は、変更無しでOK。 |
| 【予想再生周波数特性】 |
![]() |
| 上:ショートホーンのみ 下:ロングホーンのみ |
| HOME |