| HOME |
| 2012/11/23 |
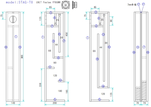
| model:STAG-T8 8cm用トールボーイ型スタガードBH |
| 【使用ユニット】Fostex FF85WK、MarkAudio Alpair6M(6P)、他8cmフルレンジ 【材料】 15mm厚ラワン合板1820×910mm、1枚(2本分) 7mm厚ラワン合板910×910mm、1枚(2本分) SPターミナル、コード、ボンド、クギ等 【本体サイズ】140×900×200mm(W,H,D) |
|
|
| ■設計図 ■板取り図 |
|
|
8cmフルレンジ用トールボーイタイプのスタガードBH。 ホーン長は、ショート=約165cm、ロング=約220cmと、8cmとしてはチョイ長めになっていて、70〜80Hzまでフラットを狙ってます。 【内部構造】 |
![]() |
| 構造は10cm用のSTAG-T10と同じです。 工作難易度は高めです。 【予想再生周波数特性】 |
![]() |
| 上:ショートホーンのみ 下:ロングホーンのみ |
| HOME |