| HOME |
| 2015/07/19 |
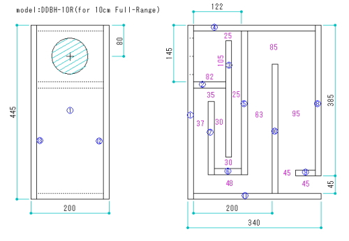
| model:DDBH-10R (10cmフルレンジ・背面開口型ダンプダクト・バックロードホーン) 背面開口型のダンプダクト入門用BOXです。 三六板1枚で2台分取れる小型タイプBHですが、低域レンジは必要十分です。 また、締まりの良い低域ですので、駆動力が弱く一般的にバックロード向きではないユニットでも問題なく使えます。 |
|
|
![]() |
【使用ユニット】10cmフルレンジ各種 【材料】15mmラワン合板(910x1820mm、1枚)=2台分 SPターミナル、内部配線、ボンド、クギ、ネジ等 【本体サイズ】W.200xH.445xD.340mm |
|
|
![]() |
| ■設計図(JWWファイル) ■板取り図(JWWファイル) |
|
|
| ※参考資料-01 スタガー・ダンプダクト・バックロードホーン試聴記(FAPS試聴室) ※参考資料-02 5cm、8cm、10cmフルレンジ用設計、板取り図(Jpeg版) ※参考資料-03 DD-BH設計のツボ |
| HOME |